Saving of designing legends

Print Top page

Procedure is intended for creation of template of designing legends (models), which further can be used for forming "out-of-frame" bordering of sheets of electronic map.

Use of templates of legends at forming "out-of-frame" bordering of a nomenclature sheet of electronic map consists in duplicating the image created (vectorial) with help of the editor of a vector map and saved as a template of legend.

For use of legend template at forming out-of-frame bordering it is necessary, that the template of bordering  (corresponding file .FRM) contained the reference to a legend template.

For example:

.LABEL D:\DATA\FRAMES\SHEMES\Sheme.lbl 8-13.9-99.5

where .LABEL - a key word,

D:\DATA\FRAMES\SHEMES\Sheme.lbl - location of a legend template (if the legend template is contained in a directory into which the GIS is installed, instead of a full way it is supposed record..\ Sheme.lbl),

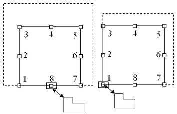
8 - number of a point of binding on a sheet frame (the middle of a southern frame),

-13.9 and-99.5 - displacement of a legend concerning a point of binding in mm on a vertical and on a horizontal accordingly.

Location of a legend (number of point of binding, vertical and horizontal displacement) will be entered and directly into a file of a legend. In case parameters of location of a legend in a file of legend and in a file of template of out-of-frame bordering do not coincide - the values from a file of template of out-of-frame bordering are considered as priority values.

Creation of a legend template consists of two stages.

At the first stage with the help of means of map editor the image of a created legend is formed. The legend can contain only objects which image is chosen from library of conventional symbols at mapping. Use of "graphic" objects is not supposed.

Further it is necessary to mark objects which will be saved into template of legend and to make active the given procedure.

In the task window it is necessary to specify a name of created file of a legend template and a point of binding of a legend template. A point of binding can be one of eight conditional points of a sheet frame. The choice of a point of binding means, that irrespective of the sizes of frames of nomenclature sheets which will be bordered in future, the distance from a legend, rendered by a template, from a point of the bordered frame specified in quality binding point will be constant.

 

 

After successful ending of creation of a legend template the Add into template button became accessible. It means, that the reference to the created template of a legend can be added automatically into the specified template of designing. The map objects placed in a design legend should belong to one map (are created by one classifier). The name of the source classifier will automatically be placed into a file of legend. At drawing out-of-frame bordering with use of a legend of out-of-frame bordering the corresponding classifier should be in a directory of the GIS (directory which has been specified at installation of the GIS).

In detail use of design legends for forming of out-of-frame bordering is described in the description of use of procedure of forming "out-of-frame" designing.